2022-12-14 16:06:08
来源:豆丁施工
01
基础常见错误
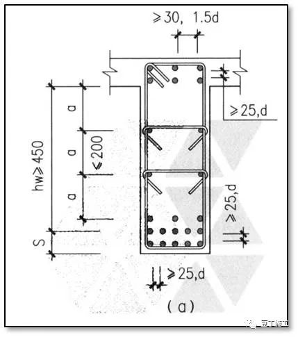
02
柱常见错误
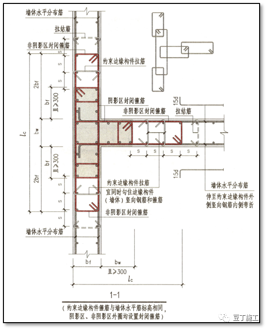
03
墙常见错误
04
梁常见错误
05
板常见错误

湖南一砖一瓦火热12月活动



一砖一瓦科技有限公司 2013-2022●Privacy Policy一砖一瓦科技有限公司版权所有苏ICP备17047090号-7
总部地址: 江苏省南京市雨花台区小行路16号5号楼1楼102室 座机: (025)52363291